Product introduction
MPS series Ⅺ super long rope displacement sensor, measuring range 15000m~30000m, the sensor
?has high accuracy, good stability, simple structure, easy to install and use. The output signals are:?
resistance output, voltage output, current output, RS485 output and increase pulse output optional
It is suitable for precise measurement of long stroke displacement
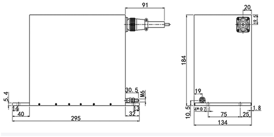
Installation size

Application:
Large range, high precision, mainly used in large-stroke measurement?
occasions such as construction machinery and amusement equipment